This section is from the book "The Boy Mechanic Vol. 2 1000 Things for Boys to Do", by Popular Mechanics Co.. Also available from Amazon: The Boy Mechanic, Vol2: 1000 Things for Boys to Do.

Motion pictures are made and reproduced by means of a camera and projector, each having a similar mechanism that would seem entirely too complicated for the average person to construct at home, yet a cor-respond-entof the N i c k e 1 o-deon has devised a simple rotary cylinder shutter that can be substituted for the complicated parts. While this simple cylinder shutter is not claimed to be non - infringing on existing patents, yet, as it has no commercial value, there would be no objection on this score. The instruments described are nothing more than toys, and if the amateur photographer can secure a few dozen feet of animated photographs about the home that are dear to his heart, and reproduce them on a screen, it will have served its purpose. The camera and projector described uses standard film, 1% in. wide, with perforations every 3/16In.
The ordinary hand camera for making still pictures consists of a light- tight box with a lens at one end and a sensitized plate or film at the other. The motion-picture camera (Fig. 1) is nothing more than a hand camera with a mechanical device for stepping a long roll of film through a space in the focal plane of the lens at a speed of about 16 pictures a second, and stopping the film long enough to make the requisite exposure on each division. The first thing to consider is the lens. A lens having ordinary speed for a hand camera, and one with about 3-in. focal length will give satisfactory results. If one does not care to purchase a lens, a small 1 1/2-in. or 2-in. reading glass can be used, if it is stopped down, or a lens may be taken from a hand camera. The width of the camera from front to back (W, Fig. 2) must be determined by the focal length of the lens. The dimensions given in the drawing are only approximate, and they can be changed if the camera is to be used in making an extra long film negative.

Ill: Fig. 1 The motion-picture camera
The roll of unexposed film (A, Fig. 2) is placed on a small shaft between U-shaped bearings, made of sheet metal and screwed to the top board of the camera. The lens B is set in the front board at a point 4 in. below the top. If a large roll of film is to be used, this distance must be greater to allow room for the film roll in the top of the camera. The cylinder C. which acts as a shutter and intermittent movement, revolves directly behind and in the path of the light passing through the lens. Partitions, DD, are set in grooves cut in the boards, forming the sides of the camera. These partitions are to keep the light, which may be diffused from the lens, from striking the film at either side of the shutter, and at the same time acting as guides for the film at the rear end of the camera. Their edges at the back are covered with black velvet. The back of the box is a hinged door, rabbeted on all edges, and opening at the side to allow the insertion and removal of the film, and also acting as a guide for the film when closed. A strip of black velvet. E, a little wider than the film, is pasted to the inside surface of the door, so that it bears lightly against the back edges of the partitions DD. The film passes between the edges of the partitions and the velvet on the door with some friction, which keeps it from moving except when pulled through with the roller shutter. A wire-staple guide, F, is fastened in the lower partition, through which the end of the film is passed before closing the door. The film as it is run through drops in folds in the bottom of the box.
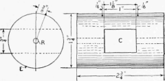
The rotary cylinder shutter is the heart of the machine and should be made well and strictly according to the dimensions. The detail of this part is shown in Fig. 3. A rectangular opening is mortised through one of its diameters to admit light on the film when in certain positions. The cylinder is of wood with a 1/4-in. steel rod inserted in the center of each end for axles. A small grooved pulley (G, Fig. 2), about 1 in. in diameter, is fastened to the outer end of one of these rods. The cylinder is revolved by a round belt from a drive wheel, H, 3 or 3 1/2 in. in diameter and turned by the aid of a crankpin. Owing to the backward rotation of the cylinder, the belt must be crossed between the drive wheel H, and the pulley G. The projections or sprockets , Fig. 3, must be accurately set at a distance of % in. from the 90-deg. point, using the center of the mortised hole as a base. These projections can be pins or small staples, but they must not be over 1/16 in. in size. The base of the sprockets must fit the hole in the film snugly, but the points should be slightly rounding, so that they will easily enter the perforations. When the upper sprocket, which is approaching the film, engages a perfora-

Ill: Fig. 2 - Details Of Camera
tion, just below the upper partition, it will carry the film downward until the sprocket disengages from the perforation at the lower partition. The distance of travel must be exactly 3/4 in., as that is the height of each picture. The cylinder requires some adjustment to meet this condition; therefore the axles are made to revolve in holes bored in two strips of wood, JJ, which can be moved forward or backward to obtain the proper distance from the film. To allow for this movement, the axles pass through slots cut in the sides of the camera box instead of round holes. The strips JJ are fastened temporarily and when the correct position for the cylinder is found, they are permanently fastened to the box. Grooves, K, are cut through the black velvet and into the back of the door to allow a space for the sprockets to pass through freely. The inside of the box should be painted a dead black, and black paper pasted on all corners and joints. Black velvet is pasted in the rabbet of the door to insure a light-tight joint when the door is closed. The cylinder shutter is also painted a dead black inside and out. The cylinder in revolving exposes the film immediately behind it through the mortised hole. The sprockets or cylinder does not touch the film while the exposure is being made, but as the hole turns toward a perpendicular position, the sprockets catch the perforations of the film and it moves down 3/4 in. Just as soon as the sprockets disengage the Film, the shutter exposes the next section of film, and so on as rapidly as the cylinder is turned, but the average should be about 16 pictures per second. A view finder must be supplied so the field covered by the lens can be determined. Such a finder is made of two pieces of metal, L and M, bent Lshaped and fastened to the top of the camera box. One of the pieces (L) has a rectangular opening 1 in. wide and 3/4 in. high, and the other (M) is drilled with a 1/8-in. drill, the distance between the two pieces being the focal length of the lens. One eye applied to the 1/8-in. hole in the piece M will see through the rectangular hole in the piece L about the same field as covered by the lens. The pieces should be accurately placed and fastened on the box when the camera is set, so that the lens will throw the same portion of the picture on the space where the film passes as will be seen through the finder.

Ill: Fig. 3 - Details Of Shutter
 
Continue to:
More: