This section is from the book "Modern Shop Practice", by Howard Monroe Raymond. Also available from Amazon: Modern Shop Practice.
A very satisfactory and convenient method of locating a jig on an angle iron for use on a milling machine in boring bushing holes consists in bolting two good parallels to the face of the angle iron, as shown in Fig. 278.
The parallels may be set at right angles to each other by means of an accurate try square, exactness of position being attained by the use of draw papers as shown at aa. The use of draw papers is to be recommended for many classes of work where extreme accuracy is essential. It is customary to use tissue paper for this purpose and to place a strip of the paper at either end of the square blade, as shown; when the blade rests against the work, the accuracy of the set may be determined by attempting to draw the papers. If one is securely held by contact with the square blade and the other is not held, it is apparent that the pieces are not correctly located. If both pieces of paper are firmly held by contact with the square blade when the beam is securely set against the other piece, it is apparent that the two pieces are exactly at right angles with each other.

Fig. 278. Attachment for Drilling Holes at Angles.
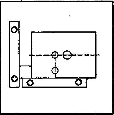
The work should now be fastened to the angle iron, with the working edges against the parallels, as shown in Fig. 279, and the machine adjusted until the button that marks the location of the first hole to be machined is properly located. After the first hole has been drilled and bored to size, the jig should be moved to bring the location for the second hole into proper position by placing a thickness block of the proper size between the end parallel and the jig shown in Fig. 280. If no thickness block of the right dimension is available, the jig may be located by means of a plug gage; or a vernier caliper or a piece of wire may be filed to the desired length and.used in setting. This assumes, of course, that this hole is the same distance as the first from the bottom edge; if it is on a different plane, the jig must be blocked up from the parallel by means of thickness blocks to bring it to the proper height, as shown in Fig. 281. By this method it is not necessary to use more than one button or to locate the position of more than the first hole. The table and the knee of the machine, being securely locked in position cannot move, and as the jig is moved the exact distance that should separate the holes each time, the holes may be accurately located within a fraction of a thousandth of an inch, which is near enough for most jobs.

Fig. 279. Layout Showing Parallels Bolted to Angle Iron.

Fig. 280. Set-Up after Boring First Hole.

Fig. 281. Another Method for Locating Second Hole.
 
Continue to: